FLEXLINEA RS15 40.40 PURECLEAN
Kód: TK-982Detailní popis produktu
Dekorativní kryt odtoku SilentSmart, o 50% méně hluku
Snadné čistění v rozích
Odtoková souprava se 3 1/2” sítkem
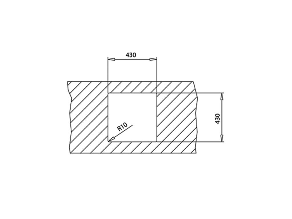
Vana 400x400/200 mm
Rozměr 440x440 mm, síla plechu 1 mm
3-v-1 možnosti instalace:
spodní, horní nebo zapuštěná
Instalace do skříňky o šířce min. 50 cm
Doplňkové parametry
| Kategorie: | Dřezy a baterie |
|---|---|
| EAN: | 8434778018677 |
| Barva: | SofTexture |
| Designová řada: | MAESTRO |
| Instalace dřezu: | 3-v-1 |
| Minimální šířka skříňky pro instalaci: | 50 cm |
| Odkapová plocha: | NE |
| Počet otvorů: | Bez otvoru |
| Počet van: | 1 |
| Povrchová úprava dřezu: | PureClean |
| Šířka dřezu: | 440 mm |
Diskuze
Buďte první, kdo napíše příspěvek k této položce.


